客户服务热线:
193 8521 3639
首 页
关于我们
产品展示
企业形象
成功案例
新闻动态
在线留言
联系我们
产品分类
Product categories
RJ45普通系列
RJ45 180度系列
RJ45 SMT系列
RJ45 SMD系列
RJ45+USB系列
56系列
59系列
转接头
其他RJ45
RJ45带滤波器系列
RJ45沉板&贴片带滤波器
多口系列RJ45滤波器
RJ45+USB系列
21.6MM反口
21.6MM
25.4MM
33.3MM
180度
SFP系列
4
您的位置:
首页
->
产品展示
->
RJ45带滤波器系列
->
多口系列RJ45滤波器
->
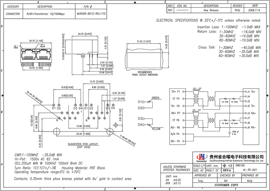
MJ002B-B212-RNL11T2
[查看原图片]
[返回]
[上一个:MJ002B-B212-RSL21T02L]
[下一个:MU88-BX31-TRSL1T1 泰科脚位100兆]
MJ002B-B212-RNL11T2
详情说明
产品尺寸:
(点击图片查看大图)
咨询
电话
业务咨询(周先生)
193 8521 3639
微信
加微信好友
回顶
咨询